Skip to main content

Search

Resilient Channel Systems

Products > Interior Framing > Resilient Channel Systems
RC install image

ONE OF THE MOST EFFICIENT LOW-COST METHODS OF REDUCING SOUND TRANSMISSION IN WOOD OR STEEL-FRAMED PARTITION OR CEILING ASSEMBLIES.

  • Lab-certified STC-rated up to 62
  • Single and double-leg channels
  • RC Deluxe® has extra-wide screw surface for easy attachment
  • Available in 12’ lengths

ClarkDietrich resilient channel is one of the most efficient low-cost methods developed to reduce transmission of airborne sound through partition and ceiling assemblies. The resilient channel dampens sound waves effectively, dissipating the energy and reducing sound transmission by suspending gypsum wallboard 1/2" from the stud or joist. Sound absorption can be maximized by utilizing sound attenuation blankets within the wall or floor cavity.

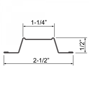
Resilient channel is manufactured from 18mil and 22mil corrosion-resistant galvanized steel and is available with single or double legs.

Installation

Single Leg and Double Leg Resilient Channel Installation Guidelines

Veneklasen Associates Report - Quantitative comparisons of resilient channel designs and installation methods

Products

RC Deluxe® Resilient Channel (RCSD)
SINGLE LEG RESILIENT CHANNEL RC Deluxe is one of the most effective, low-cost methods of improving sound transmission loss through wood and steel frame partitions.
RC-1 Pro™ Resilient Channel (RCUR)
SINGLE-LEG RESILIENT CHANNEL Effective, low-cost methods of improving sound transmission loss through wood and steel frame partitions.
RC-2 Pro™ Resilient Channel (RCDN)
DOUBLE-LEG RESILIENT CHANNEL Low-cost methods of improving sound transmission loss through wood and steel frame partitions and ceilings.
RC-1 ProPlus™ Resilient Channel (RCUR Heavy)
HEAVY-DUTY SINGLE-LEG RESILIENT CHANNEL Made of 22mil steel to provide a stiffer resilient channel.
RC-2 ProPlus™ Resilient Channel (RCDE)
HEAVY-DUTY DOUBLE-LEG RESILIENT CHANNEL Made of 22mil steel to provide a stiffer resilient channel.